告别笨重低效,英诺赛科4kW双向电源助力电网降本增效!
2025年06月20日

方案亮点- 峰值效率:99.03% @230Vac Vin(整流); 98.95% @230Vac Vout(逆变)
- 开关频率:PFC 65kHz
- PCBA尺寸:176*100*57(mm)
- 功率密度:65.6W/inch^3
- InnoGaN:ISG6121TD × 4
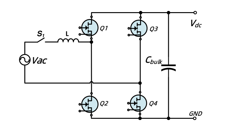
4kW双向PFC方案采用AC-DC无桥图腾柱PFC拓扑,支持双向工作。

拓扑结构


SolidGaN™ 助力GaN高功率应用
ISG6121TD 是 SolidGaN™ 产品系列的一部分,该系列产品不仅具备分立式 GaNFET 的所有优势(关键任务应用中的长寿命可靠性、超低开关损耗和零 Qrr),还具备其他先进功能。

- 稳压 Vgs,可实现最佳的导通电阻 (Rdson) 和栅极节点可靠性
- 去饱和检测,用于短路保护
- 过温保护
- 米勒钳位,可实现可靠的关断
ISG6121TD 采用坚固耐用的 TO247-4L 汽车级热优化封装,并带有开尔文源极引脚。
ISG6121TD 的 Vdss 额定值为 700V,实际 BVdss 电压更高,导通电阻 (Rdson) 为 22mΩ(典型值 25C)。驱动引脚支持高达 27V 的 PWM 输入电压。
ISG6121TD 可以替代 IGBT 和 650V SiC MOSFET,具有显著更高的 PFC 效率,适用于 AI 数据中心高达 5.5kW 的高功率系统。
如果您对英诺赛科的合封产品或4kW双向PFC方案感兴趣,欢迎在微信公众号后台留言或通过邮箱(jiaxinhuang@innoscience.com)与我们联系。